120米車載霧炮機參數配置表_120米霧炮車生產廠家
120米車載霧炮機|霧炮車廠家銷售電話:
159-7276-7978
產品特點:
功力強、射程遠、覆蓋范圍廣、可以實現精量噴霧;工作效率高、噴霧速度快。水通過噴霧器時,由于旋轉和沖擊作用,噴射于空氣中而形成霧狀水珠。這種霧狀水珠與懸浮在空氣中的塵粒相遇后塵粒被濕潤,一部分直接落下來,一部分隨著風流飄移,塵粒之間互相碰撞,粘結成較大塵粒時再落下來。可固定安裝在混凝土澆筑的平臺上,也可配套柴油發電機組供電安裝在運輸車輛上。操作靈活,使用安全可靠,采用自動控制,可在100米內進行無線遠程遙控作業(也可在駕駛室內操作),操作簡單方便;有效避免藥物對作業人員的污染。耗水量少,且水霧覆蓋粉塵面積遠遠大于其它抑塵噴灑設備。使用進口離心泵,出水量大,使用壽命是普通柱塞泵的3倍。適用范圍:礦山、煤炭堆場、焦炭碼頭、煤場及其他粉塵污染大的廠區等。
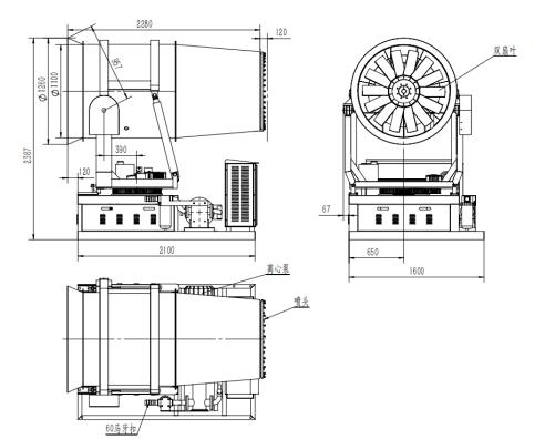
120米霧炮機尺寸圖:
120米霧炮機配置:
型號:KCS-120型
風機射程:120米
覆蓋面積:27800m2
啟動方式:軟啟動+PLC集成擴展
風機功率:4極-55Kw
風筒類型:正弦降噪
風機風量:162000m3/h
風機風壓:3620pa
水泵功率:11Kw
水泵種類:不銹鋼多級離心泵
水泵壓力:0~3.5MPa
水泵流量:240~280L/m
水環數量:三圈不銹鋼水環
噴頭數量:120個
旋轉電機:0.4kw
旋轉角度:0°~360°可調整
液壓電機:3.0kw
俯仰角度:-5°~60°可調整
配套動力:150KW(六缸)
操作方式:手動/遙控/自動
底座尺寸:分體式
外形尺寸:2450*1600*2450
遙控距離:100米
供電電源:AC380v,58Hz三線四相
常咨詢的問題:
1、120米霧炮發電機最少需配150KW六缸發電機。
2、發電機為水冷發電機(帶水箱,加水或防凍液進行降溫)。
3、車載霧炮每小時的用水量:每小時約為12噸水。
4、霧炮的噴頭數量:噴頭數量為120個噴頭。
5、霧炮的水泵類型:不銹鋼多級離心泵。發電機的首次保養時間:30小時。需更換機油,清洗空氣濾芯。噴霧機要定期將濾網清洗,以免堵塞管道,導致霧炮不出水。
6、具體情況以使用工作環境而定。
7、安裝120米霧炮對車輛軸距的要求:120米霧炮必須用4500mm或4500mm 以上軸距車輛,后平尺寸最少需要凈空2米(若尺寸為2米時,爬梯必須為活動式爬梯)。
8、發電機油箱與車輛油箱共享(車輛油箱),也可單獨加裝油箱。
9、凈風狀態下能達到120米。
也可根據客戶要求選擇玉柴、濰柴、康明斯發動機。
120米車載霧炮機|霧炮車廠家銷售電話:
159-7276-7978


